1 / 5
In the cold beverage production industry, conveying chains are crucial for ensuring the seamless flow of products. These chains address unique challenges such as low temperatures, high humidity, and strict hygiene requirements.
| Attribute | Details |
|---|---|
| Product Name | Conveyor chains for cold drink production |
| Materials | Alloy / Carbon Steel |
| Surface Treatment | Inkjet, blackening, oxidation, polishing, zinc plating, nickel plating, etc. |
| Characteristics | Fire-resistant, oil-resistant, heat-resistant |
| Structure | Conveyor chain |
| Advantages | High quality, excellent service, competitive prices, prompt delivery |
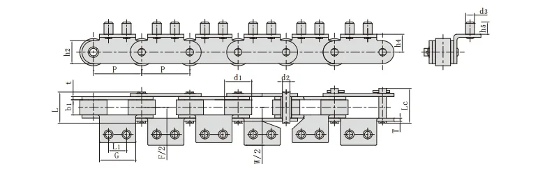
| Chain No. | Pitch (P) | Roller d1 max | Width b1 min | Pin d2 max | Tensile Strength (kN) | Weight (kg/m) |
|---|---|---|---|---|---|---|
| C2082SSA2F3 | 50.80 | 28.58 | 15.75 | 7.92 | 39/8767 | 2.8 |



Our production utilizes advanced machinery from raw materials to finished products, including high-speed punching, milling, and automatic assembling machines. Heat treatment is processed by continuous mesh belt conveyor furnaces to ensure stability and consistency.


